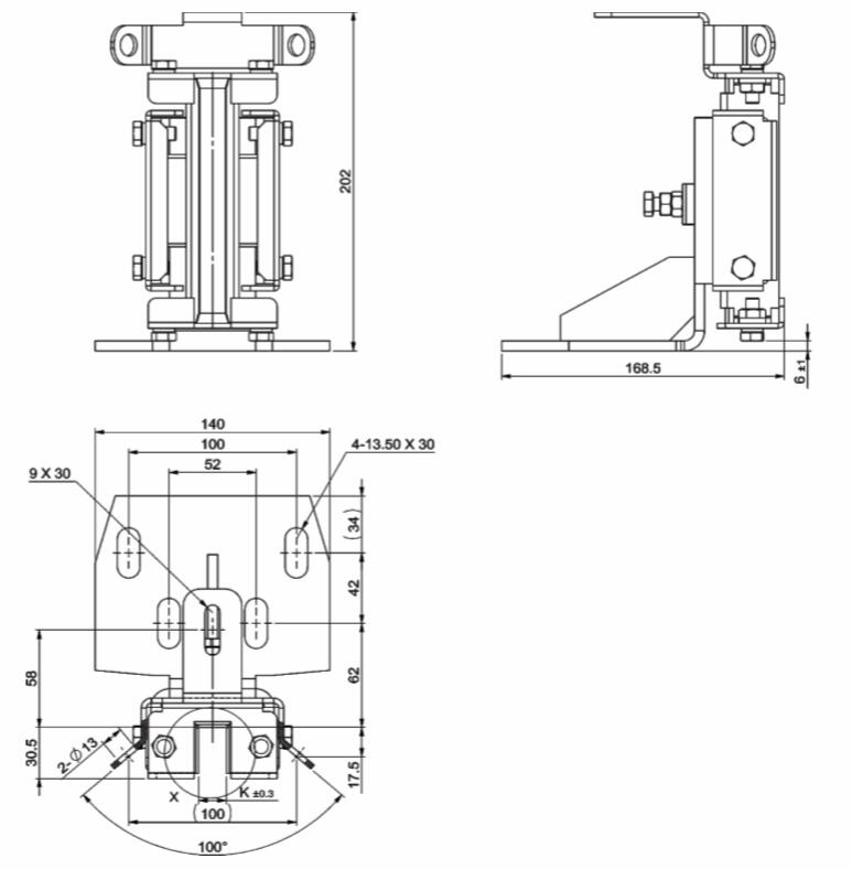
AF-SG26 Elevator Sliding Guide Shoes
| Type | Rated Speed | Rated Load (Reference) |
Width Of Guide Rail | Max. Force During Running | Max. Force During Loading | Lubricants | |||
| CWT [m/s] |
CAR [m/s] |
Width Of Guide Rail | Side Pressure Fx[N] |
Normal Pressure Fy[N] |
Side Pressure Fx[N] |
Normal Pressure Fy[N] |
|||
| AF-SG26 | / | 1.75 | 1600KG | 9/10/16 | 850 | 850 | 1600 | 1350 | √ |

















