2-Leafs Center Opening Landing Door Device For Home Lift
(Common Spring Type)
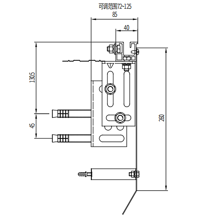
AF NO.:AF-OCM-106
1. Unlocking hole on door jamb, passed 45kg pendulum impact test
2. Closing by spring type, spring assembled on inner top of landing device
3. Sill width is 40mm, especially for home lifts
4. Door lock qualified by the NATIONAL ELEVATOR INSPECTION CENTER, level of protection is IP2X
5. Voltage for door lock: ≤ AC230V、≤ DC110V
| JJ | 600 | 650 | 700 | 750 | 800 | 850 | 900 | 950 | 1000 | 1050 | 1100 | 1150 | 1200 |
| Al | 1210 | 1310 | 1410 | 1510 | 1610 | 1710 | 1810 | 1910 | 2010 | 2110 | 2210 | 2310 | 2410 |
| B1 | 175 | 200 | 225 | 250 | 275 | 300 | 325 | 350 | 375 | 400 | 425 | 450 | 475 |










-300x300.jpg)









